气胀鼓 / 气胀套CHARATERISTIC
1. Application: used for 3" air shaft to reach the same effect of 6" air shft.
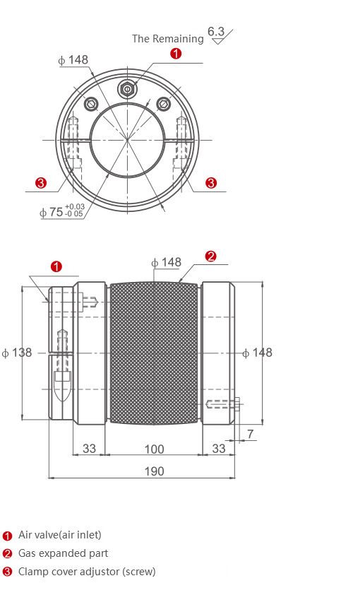
2. The external diameter can reach to Ø155-158mm when aired and may work as a 6" air shaft
3. High-quality aluminum alloy with hard anodized, dark brown color and light weight.
4. The expansion of air drum is made from rubber, finalized production and the total length is 190mm.
5. Internal diameter of the air cover is Ø75mm, and external diameter is Ø150mm, length can be customized. Different sizes can customized.
6. Keys length 100mm and width 8mm of the air cover, interlocked.
